Нолик.
Автор: Marchenko Serget,Преподавателя электротехники Мурманцева в институте звали -Нолик. В предыдущем рассказе эта интрига была раскрыта. Несмотря на уничижительное прозвище Фёдор Матвеевич был крупная величина среди преподавательского состава факультета механизации.
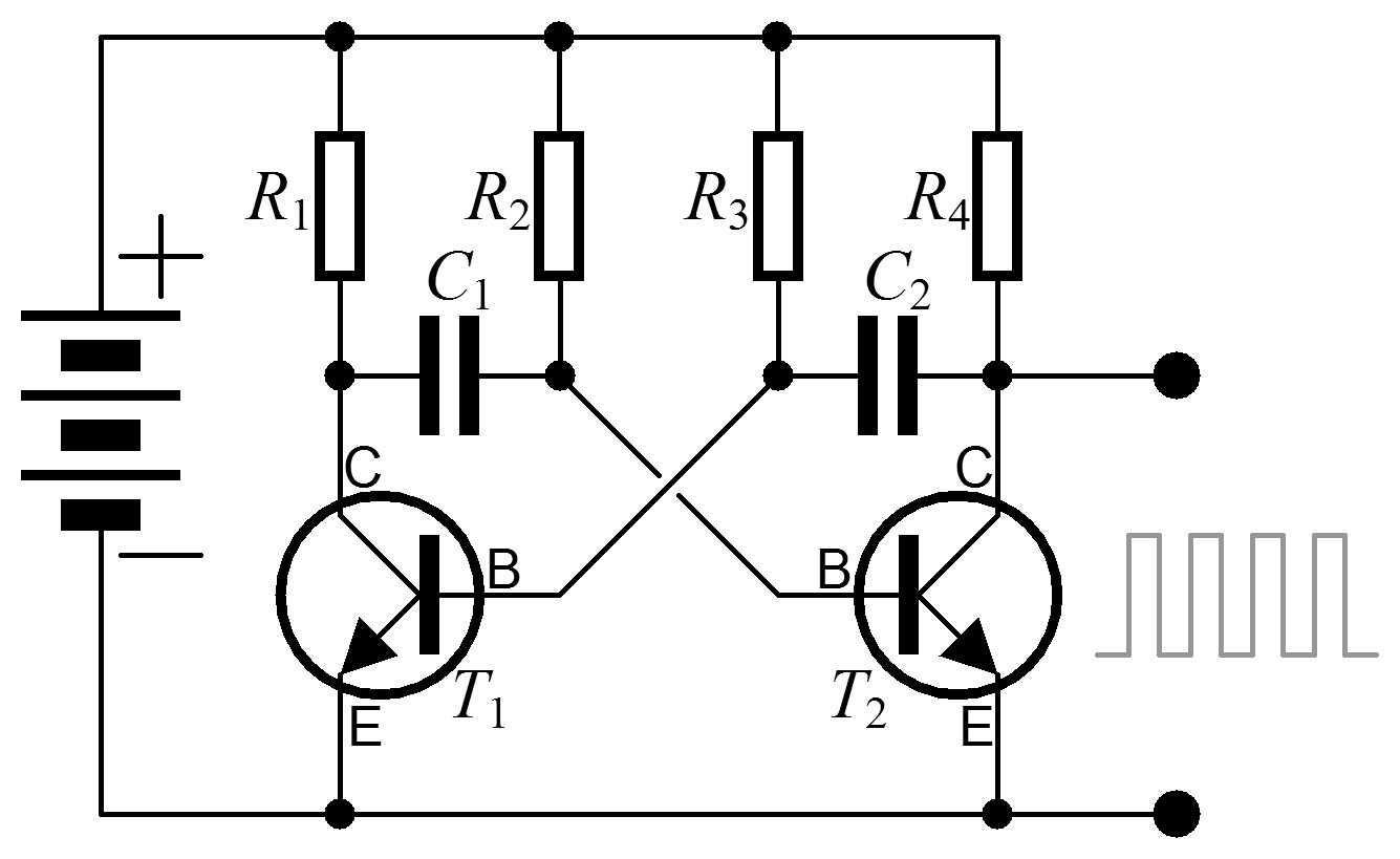
Кроме преподавания основ электротехники он ещё вёл научную работу на кафедрах. Проходил у нас зачёт по электронике, Нолик предварительно нам раздал схемы и мы самостоятельно должны были разобрать принцип их работы. Мне достался мультивибратор сигнала.

Ни разу не элетронщик я вызубрил техническое описание и спокойно отправился на зачёт. По старому студенческому принципу, если не уверен в знании вопроса, отвечай уверенно и бойко, я протарахтел своё видение вопроса.
Одногруппники примолкли, пытаясь понять "глубину" моего знания.
- Молодец,- сказал Нолик.
- Вот кто не знает, тот поверит. А за счёт чего базы транзисторов открываются попеременно?
Конечно поднял руки,- Сдаюсь.
Сдавали в лаборатории и Фёдор Матвеевич быстро подключил мультивибратор к питанию и осциллограф к одному из конденсаторов.

- Смотри как заряжается и разряжается конденсатор. Плавно с выпуклостью к оси U напряжения к точке полного заряда, а на разряде с отрицательным значением.
- Напоминает девичью грудь, разряд заряд - сосочек.
Одногруппники оживились. Талантливый был преподаватель. Умел не скучно учить.
В конце третьего курса мы с другом пошли на кафедру Сельскохозяйственных машин и записались в студенческий отряд , который занимался возделыванием картофеля на опытном участке совхоза "Дубининский". В свободное от учёбы время из металлолома на заднем дворе факультета я собрал трактор МТЗ-50 , а Игорь оживил Т-38 по прозвищу - "Питекантроп".

Досрочно сдали зачёты и поехали на своих тракторах в совхоз на посадку картофеля.
Рядом с общежитием барачного типа, где нас поселили, находилось картофелехранилище и яровизатор, остеклённый склад для проращивания картофеля.
Нас послали помогать Мурманцеву испытывать придуманную им установку предпосевной обработки картофеля токами высокой частоты. Нолик со своим помощником Толиком с кафедры устанавливали прибор в начале транспортёра, совхозные электрики протянули кабель питания и установили автоматический выключатель АП-50, а мы составляли рядами ящики пророщенного картофеля из яровизатора для эксперимента.
По замыслу Нолика картофель пройдя электрическое поле прибора должен дать повышенную всхожесть. Стало темнеть и опыты отложили на следующий день
Ночь прошёл дождик. Поутру мы приготовились подавать ящики с семенами.
Мурманцев включил АП-эшку, та бабахнула электрической дугой, короткое замыкание от сырости. Нолику сильно обожгло правую кисть и закоптило лицо. Руку перебинтовали. Электрики установили новый автомат.
Нолик опять включил. Двигатель транспортера закрутил ленту, облучатель загудел, мы шустро ставили ящики в начало транспортёра , другие студенты разгружали их в конце и составляли в штабель семена на экспериментальную посадку.
Глянул на Нолика и обомлел: рука забинтована, лицо закопчённое и сияющие восторгом глаза. Всё таки есть какая то сумасшедшинка в настоящих учёных.
Вечером на танцах в ДК совхоза девчонки выспрашивали наших, чем они у яровизатора занимались. По совхозу тут же прошёл слух , что студенты привезли новый сорт картофеля - "Электра". Поэтому к посадке мы не досчитались несколько ящиков , хотя сторож утверждал, что всю ночь караулил. По осени , когда выкопали выращенный картофель "Электра", урожайность на 15 % превысила совхозную.
После окончания института по распределению я попал в ДВ МИС в лабораторию Энергетической оценки машин, где перед аспирантурой работал Мурманцев. Коллеги Сергей Строканидов и Леонид Собольков с теплотой о нём отзывались.
В сети нашёл Фёдора Матвеевича уже в Челябинске автором четырёх изобретений.
Повезло нам учится у этого замечательного человека.